Кондесатосборник DCH (Вулкан)

Производитель: Вулкан
Страна производства: Россия
Толщина изоляции 50
Материал дымохода: Нержавеющая сталь
Марка стали: AISI 321 / 304
Тип элемента: Конденсатоотвод
Серия дымохода: Двустенный
Качество дымохода: Премиум
Перейти к описанию
* Диаметр дымохода:

3 845-385 3 461
Кол-во:  
   - или -   

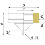
Конденсатосборник DCH с изоляцией 50мм – элемент дымохода предназначен для обслуживания дымохода. Применяется в схемах со сборкой элементов "по конденсату"

Общие характеристики:

  • Элемент выполнен из нержавеющею стали марки AISI 321 (внутренний контур дымохода) / AISI 304 (внешний контур дымохода) толщиной 0,5мм
  • Соединение раструбно-профильное
  • В качестве теплоизоляции выступает специальный противопожарный материал компании "ROCKWOOL" (Дания)
    • Низкий коэффициент теплопроводимости
    • Рабочая температура до 750 °C. Температура спекания волокон - 1000 °C
    • Материал запрессовывается специальным прессом, исключая свободные полости
  • Лазерная сварка TIG - шов проваривается встык роботом
    • Отсутствие теплопроводящего "моста" и нарушения структуры стали при сварке (значительное увеличение срока службы)
  • Гарантия 50 лет

Особенности стали AISI 321 - аустенитная полированная нержавеющая сталь (внутренний контур дымохода)

  • Большое количество никеля и хрома в составе стали + легирование титаном (улучшены коррозийные свойства стали
  • Сталь разработана для применения в условиях агрессивной среды и повышенной температуры, возникающих при работе дымоходо
  • Устойчива к воздействию окружающей среды в любых климатических условия
  • Высокие механические характеристики (Жаропрочность до 850 °C, рабочая температура до 550 °C)

Особенности стали AISI 304 - аустенитная полированная нержавеющая сталь (внешний контур дымохода)

  • Большое количество никеля и хрома в составе стали
  • Сталь разработана для применения в условиях агрессивной среды и повышенной температуры, возникающих при работе дымоходов
  • Устойчива к воздействию окружающей среды в любых климатических условиях
  • Высокие механические характеристики (Жаропрочность до 850 °C, рабочая температура до 550 °C
 
Производитель: Вулкан
Страна производства: Россия
Толщина изоляции 50
Материал дымохода: Нержавеющая сталь
Марка стали: AISI 321 / 304
Тип элемента: Конденсатоотвод
Серия дымохода: Двустенный
Качество дымохода: Премиум
---- Отзывы пока отсутствуют. Вы можете стать первым.
0 / 0
5 звезд
0
4 звезды
0
3 звезды
0
2 звезды
0
1 звезда
0



VESTAKAMIN - ОГОНЬ, ЗАКАЛЕННЫЙ ТРАДИЦИЯМИ
 
-->